性能规范
•公称压力:PN1.6、2.5、4.0、6.4Mpa
•强度测试压力:PT2.4、3.8、6.0、9.6MPa
•低压气密封试验压力:0.6MPa
•适用介质:水、油品、气体、硝酸类、醋酸类
•适用温度:-29℃-150℃
产品结构

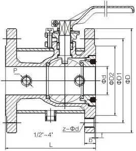
保温球阀主要外形尺寸
公称通径 | L | P | 公称压力 | D | D1 | D2 | B | F | Z-ΦD | 公称压力 | D | D1 | D2 | B | F | Z-ΦD |
15 | 90 | Rp3/8 | PN16 | 105 | 75 | 55 | 14 | 2 | 4-M12 | 150LB | 100 | 69.9 | 42.9 | 17.9 | 2 | 4-1/2 |
20 | 105 | Rp3/8 | 115 | 85 | 65 | 14 | 2 | 4-M12 | 110 | 79.4 | 50.8 | 17.9 | 2 | 4-1/2 | ||
25 | 110 | Rp3/8 | 135 | 100 | 78 | 16 | 2 | 4-M16 | 115 | 88.9 | 63.5 | 19.5 | 2 | 4-1/2 | ||
32 | 125 | Rp1/2 | 145 | 110 | 85 | 16 | 3 | 4-M16 | 125 | 98.4 | 73 | 22.7 | 2 | 4-1/2 | ||
40 | 136 | Rp1/2 | 160 | 125 | 100 | 16 | 3 | 4-M16 | 150 | 120.7 | 92.1 | 24.3 | 2 | 4-3/4 | ||
50 | 155 | Rp1/2 | 180 | 145 | 120 | 18 | 3 | 4-M16 | 180 | 139.7 | 104.8 | 24.3 | 2 | 4-3/4 | ||
65 | 170 | Rp1/2 | 195 | 160 | 135 | 20 | 3 | 8-M16 | 190 | 157.4 | 127 | 24.3 | 2 | 4-3/4 | ||
80 | 180 | Rp1/2 | 215 | 180 | 155 | 20 | 3 | 8-M16 | 230 | 190.5 | 157.2 | 24.3 | 2 | 8-3/4 | ||
100 | 190 | Rp1/2 | 245 | 210 | 185 | 22 | 3 | 8-M16 | 255 | 215.9 | 185.7 | 25.9 | 2 | 8-7/8 | ||
125 | 356 | Rp1/2 | 285 | 240 | 210 | 22 | 2 | 8-Φ22 | 280 | 241.3 | 215.9 | 29 | 2 | 8-Φ22 | ||
150 | 394 | Rp1/2 | 340 | 295 | 265 | 24 | 2 | 12-Φ22 | 345 | 298.5 | 269.9 | 29 | 2 | 12-Φ22 | ||
200 | 457 | Rp1/2 | 405 | 355 | 320 | 26 | 2 | 12-Φ26 | 405 | 362 | 323.8 | 30.6 | 2 | 12-Φ25 |
