设计标准
• 设计标准:GB/T12237/API6D/API608
• 结构长度:GB/T12221、API6D、ASME B16.10
• 连接法兰:JB79、GB/T 9113.1、ASME B16.5、B16.47
• 焊接端:GBfT 12224 , ASME B16.25
• 试验和检验:GB/T 13927、API6D、API 598
性能规范
• 公称压力:PN16, PN25, PN40,150, 300LB
• 强度试验:PT2.4, 3.8, 6.0, 3.0, 7.5MPa
• 密封试验:1.8, 2.8,4.4,2.2, 5.5MPa
• 气密封试验:0.6MPa
• 阀门主体材料:A105(C)、F304(P)、F316(R)
• 适用介质:天然气、石油、供热、化工及热电管网等长输管线。
• 适用温度:-29°C-150°C
产品结构
主要零件材料
材料名称 | 材质 | |
GB | ASTM | |
阀体 | 25 | A105 |
| 球体 | 304 | 304 |
阀杆 | 1Cr13 | 182F6a |
弹簧 | 6osi2Mn | Inconel X-750 |
密封圈 | PTFE | PTFE |
螺柱 | 35CrMoA | A193 B7 |
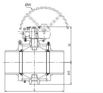
主要外形尺寸
PN16/PN25/CLASS150
全通径 | 单位(MM) | ||||||
DN | NPS | L | H1 | H2 | W | ||
RF | WE | RJ | |||||
50 | 2 | 178 | 178 | 216 | 108 | 108 | 210 |
65 | 2 1/2 | 191 | 191 | 241 | 126 | 126 | 210 |
80 | 3 | 203 | 203 | 283 | 154 | 154 | 270 |
100 | 4 | 229 | 229 | 305 | 178 | 178 | 320 |
150 | 6 | 394 | 394 | 457 | 184 | 205 | 320 |
200 | 8 | 457 | 457 | 521 | 220 | 245 | 350 |
250 | 10 | 533 | 533 | 559 | 255 | 300 | 400 |
300 | 12 | 610 | 610 | 635 | 293 | 340 | 400 |
350 | 14 | 686 | 686 | 762 | 332 | 383 | 400 |
400 | 16 | 762 | 762 | 838 | 384 | 435 | 520 |
450 | 18 | 864 | 864 | 914 | 438 | 492 | 600 |
500 | 20 | 914 | 914 | 991 | 486 | 527 | 600 |
