V型高性能球阀的阀芯具有V形口球体,是一种以改变V形切口面积来调节流体流量 的旋转式调节阀。它特别适用于含有纤维或带有颗粒状物的介质。如纸浆生产、污 水处理以及油品稳压输油管线等场合的控制。该阀芯上下端设有转动轴,阀座带有 増能环可以调节密封力,阀开闭时V形开口与阀座产生楔形剪切力,使密封性能优越 于。形球阀、闸板阀、闸阀等阀门,它主要应用于石化、造纸、电力、轻工、水处 理厂等工业部门。
概括
• V切具有较大的可调比和等百分比流量特性,实现压力和流量的稳定控制。
• 结构简单、体积小、重量轻、流道通畅。
• 提供wrth大螺母弹性自动补偿结构,有效控制阀座和阀塞的密封面,实现良好的密封性能。偏心塞和阀座结构可以减少磨损。
• V 形切割在阀座上产生楔形剪切力以切断含有纤维的介质。特别适用于高粘度介质和含有纤维和颗粒的介质的开松和控制。
阀体
• 类型:偏心角行程整体球、夹套球
• 公称直径 (DN):1"~20"
• 公称压力 (PN):ANSI 150LB-900LB
• 连接类型:法兰连接或对夹式
• 材料:A216-WCB 、A351-CF8、A351-CF8M(或锻件)
• 填料:聚四氟乙烯浸渍石棉、聚四氟乙烯、柔性石墨 也可根据用户要求提供保温夹套蝶阀。
阀内组件
•阀塞类型:V 形切割球• 阀塞材料:A351-CF8、CF8M 碳化或表面喷塑硬质喷孔
• 阀座材料和工作温度:
软密封:
PTFE -20-+180℃填充
PTFE -20-+180℃
PPL -40~+350℃
硬密封(y):A351-CF8、CF8M
碳化或表面硬质合金喷焊-40+450℃
阀轴材料:A276-420、A564-630
轴套材料:A182-F304、A182-F316(氮化)或
WMS(高温合金)
• 图1 软密封型
堵头:A351-CF8、A351-CF8M
阀座材料:PTFE、填充PTFE、PPL
阀座泄漏:零泄漏
• 图2 钢板型金属密封
堵头材料:A351-CF8、CF8M 渗氮或表面喷焊
阀座材料:3J1、Inconel 不锈钢板
阀座泄漏:按 ANSI B16.104 IV-VI 级密封
额定在 KVx0.00l% 以内(250°C)
额定在 KVx0.005% (400°C) 以内
产品结构
图1 软密封结构图 图2 钢板式金属硬密封结构图

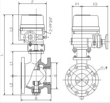
外形与连接尺寸
DN | L | PN16 | L | 150LB | 10K | |||||||||
D | D1 | d | n-Φ | D | D1 | d | n-Φ | D | D1 | d | n-Φ | |||
25 | 450 | 115 | 85 | 65 | 4-Φ14 | 102 | 110 | 79.4 | 50.8 | 4-16 | 125 | 90 | 67 | 4-19 |
32 | 470 | 140 | 100 | 76 | 4-Φ18 | 102 | 115 | 88.9 | 63 | 4-16 | 135 | 100 | 76 | 4-19 |
40 | 473 | 150 | 110 | 84 | 4-Φ18 | 114 | 125 | 98.4 | 73 | 4-16 | 140 | 105 | 81 | 4-19 |
50 | 488 | 165 | 125 | 99 | 4-Φ18 | 124 | 150 | 1207 | 92.1 | 4-18 | 155 | 120 | 96 | 4-19 |
65 | 561 | 185 | 145 | 118 | 8-Φ18 | 145 | 180 | 139.7 | 104.8 | 4-18 | 175 | 140 | 116 | 4-19 |
80 | 586 | 200 | 160 | 132 | 8-Φ18 | 165 | 190 | 152.4 | 127 | 4-18 | 185 | 150 | 126 | 8-19 |
100 | 607 | 220 | 180 | 156 | 8-Φ18 | 194 | 230 | 190.5 | 157.2 | 8-18 | 210 | 175 | 151 | 8-19 |
125 | 668 | 250 | 210 | 184 | 8-Φ18 | 194 | 255 | 215.9 | 185.7 | 8-22 | 250 | 210 | 182 | 8-23 |
150 | 693 | 285 | 240 | 211 | 8-Φ22 | 229 | 280 | 241.3 | 215.9 | 8-22 | 280 | 240 | 212 | 8-23 |
200 | 768 | 340 | 295 | 266 | 12-Φ22 | 243 | 345 | 298.5 | 269.9 | 8-22 | 330 | 290 | 262 | 12-23 |
250 | 901 | 405 | 355 | 319 | 12-Φ26 | 297 | 405 | 362 | 323.8 | 12-26 | 400 | 355 | 324 | 12-25 |
300 | 921 | 460 | 410 | 370 | 12-Φ26 | 338 | 485 | 431.8 | 381 | 12-26 | 445 | 400 | 368 | 16-25 |
350 | 1062 | 520 | 470 | 429 | 16-Φ29 | 400 | 535 | 476.3 | 412.8 | 12-30 | 490 | 445 | 413 | 16-25 |
400 | 1117 | 580 | 525 | 480 | 16-Φ30 | 400 | 595 | 539.8 | 469.9 | 16-30 | 560 | 510 | 475 | 16-27 |
450 | 1255 | 640 | 585 | 548 | 20-Φ30 | 520 | 635 | 577.9 | 533.4 | 16-33 | 620 | 565 | 530 | 20-27 |
500 | 1282 | 715 | 650 | 609 | 20-Φ33 | 600 | 700 | 635 | 584.2 | 20-33 | 675 | 620 | 585 | 20-27 |
